
Отправьте нам заявку и мы перезвоним вам в ближайшее время.
| Наименование резервуара | РГС |
| Номинальный объем, м³ | 5 |
| Конструкция торцовых стенок | Плоские |
| Внутреннее давление, МПа | 0,04 |
| Рабочее давление, МПа | 0,01-0,07 |
| Температура эксплуатации, ºС | -40...+90 |
| Способ размещения | Наземный, подземный |
| Тип днищ | Плоские |
| Диаметр, м | 1,6 |
| Длина, м | 2,8 |
| Масса, кг | 1540 |
Резервуары РГС-5 применяются для стационарного хранения горючих и негорючих жидкостей, топлива и реагентов, на опасных производственных объектах нефтехимической и нефтеперерабатывающей промышленности, сельском хозяйстве, гражданской авиации. Допускается использовать резервуары РГС-5 для хранения технической воды на объектах нефтехимической и нефтеперерабатывающей промышленности.
Резервуары РГС-5 соответствуют требованиям ОСТ 26-291-94, ПБ 03-584-03.
Климатическое исполнение резервуаров – УХЛ, ХЛ категория размещения – 1 или 5 по ГОСТ 15150-69.
Наш котельный завод также производит парогенератор дизельный различной мощности.
РГ_-___ ____ ТУ 3615-007-14722122-2016
1 2 3
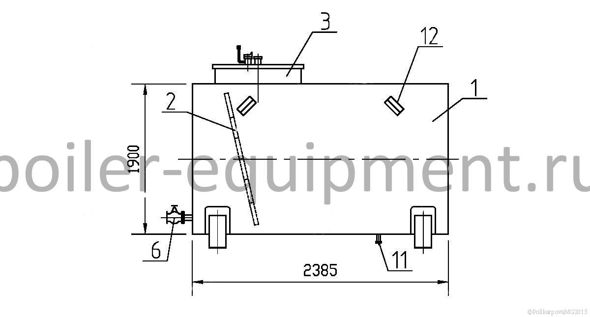
По типу исполнения бывают подземными и наземными. Резервуары РГС-5 представляют собой одностенный горизонтальный цилиндр с коническими или плоскими днищами и кольцами жесткости внутри.
Резервуары РГС-5 изготавливаются из листовой стали. С помощью вальцов листовая сталь формируется до определенного радиуса, после чего сваривается в обечайку. В зависимости от размера резервуара между собой сваривается определенное количество обечаек. После укрупнительной сборки резервуара производится зачистка сварных швов и проверка швов резервуара на герметичность с помощью мела и керосина. После того, когда все сварные швы проверены на герметичность, производится зачистка всей поверхности резервуара: обезжиривание, грунтовка и окраска резервуара
Резервуары РГС-5 имеют удельный вес хранимой жидкости: до 1 тс/м3. Максимальная температура хранимых нефтепродуктов +90 °С , минимальная -40 °С . Рабочее избыточное давление для резервуаров с плоскими днищами до 0,04 МПа (0,4 кгс/см2). Нормативные нагрузки района строительства: снеговая – до 2,0 кПа (200 кгс/м2; ветровая – до 1,0 кПа (100 кгс/м2). Сейсмичность района строительства РГС-5 до 7 баллов. Средний срок службы до списания резервуаров, предназначенных для надземной установки – 20 лет, а для подземной - 10 лет.
Купить резервуары РГС-5 вы можете в нашем электронном магазине через форму заказа, либо позвонив по телефону 8-800-700-17-43 в отдел сбыта. Транспортирование резервуаров РГС осуществляется автотранспортом, ж/д полувагонами и речным транспортом. Котельный завод поставляет продукцию во все регионы России и Казахстана. Менеджеры отдела сбыта дают консультацию по всем вопросам подбора оборудования и рассчитывают стоимость доставки до вашего региона.